Activitats
Parts que constitueixen les instal·lacions elèctriques d'enllaç
L’objectiu d’aquesta activitat és que diferencieu les parts d’una instal·lació elèctrica d’enllaç en baixa tensió.
Observeu aquests esquemes d'instal·lacions d’enllaç.
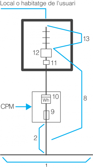
Figura 1. Esquema instal·lació d'enllaç per a un sol usuari

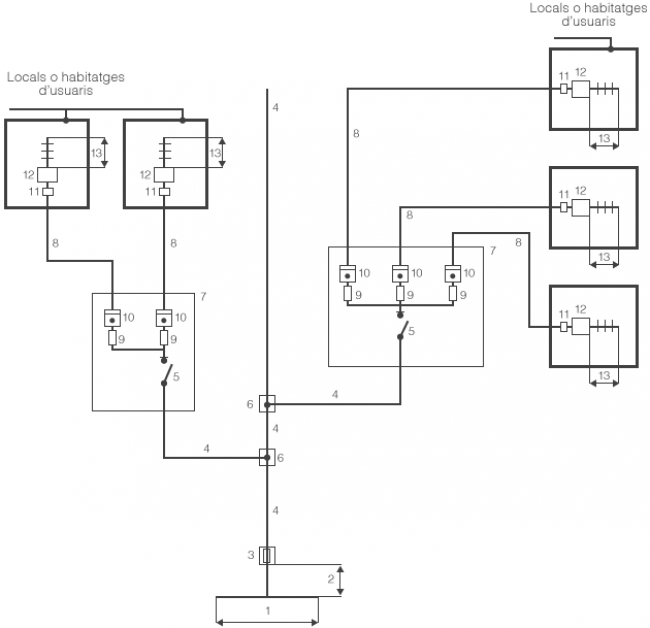
Figura 2. Esquema instal·lació d'enllaç per a diversos usuaris amb comptadors en forma centralitzada en un lloc

Figura 3. Esquema instal·lació d'enllaç per a diversos usuaris amb comptadors en forma centralitzada en més d'un lloc

Enumereu les parts que constitueixen les instal·lacions elèctriques d'enllaç:
- 1.
- 2.
- 3.
- 4.
- 5.
- 6.
- 7.
- 8.
- 9.
- 10.
- 11.
- 12.
- 13.
- 1. Xarxa de distribució
- 2. Connexió de servei
- 3. Caixa general de protecció
- 4. Línia general d’alimentació
- 5. Interruptor general de maniobra
- 6. Caixa de derivació
- 7. Emplaçament de comptadors
- 8. Derivació individual
- 9. Fusible de seguretat
- 10. Comptador
- 11. Caixa per a ICP
- 12. Dispositius generals de comandament i protecció
- 13. Instal·lació interior
Instal·lacions elèctriques d'enllaç. Caixes generals de protecció
L’objectiu d’aquesta activitat és que conegueu les diferents caixes generals de protecció d'acord amb les instruccions de muntatge i reglamentació vigent.
- 1. Quantes CGP instal·lareu per cada línia general d'alimentació i per quants kW de demanda en un edifici preferentment d'habitatges?
- 2. Observeu les figures 4 i 5 d'una CGP i indiqueu quin tipus d'esquema són:
Figura 4. Esquema caixa general de protecció

Figura 5. Esquema caixa general de protecció

- 3. Completeu la taula següent, amb les dades que falten, dels tipus de caixes generals de protecció seleccionades.
| Designació de la CGP | Nombre de bases portafusibles | Mida de la base portafusible | Corrent màxim del fusible(A) |
|---|---|---|---|
| CGP-7-160 BUC | |||
| CGP-7-250 BUC | |||
| CGP-7-400 BUC(*) | |||
| CGP-9-160 BUC | |||
| CGP-9-250 BUC | |||
| CGP-9-400 BUC(*) |
(*) Exclusivament per a subministraments individuals
- 4. Segons el significat de les sigles, indiqueu les característiques de la caixa general de protecció CGP-9-400 BUC.
- 5.4. Quin ha de ser el diàmetre dels dos tubs de polietilè?
Figura 6. Caixa general de protecció amb embrancament subterrani

- 1. Una CGP per cada línia general d'alimentació i per cada 160 kW de demanda per edifici.
- 2. La figura 4 és d'esquema CGP-7; embrancaments connectats a xarxes aèries amb entrada i sortida de cables per la part inferior. La figura 5 és d'esquema CGP-9; embrancaments connectats a xarxes subterrànies amb entrada de cables per la part inferior i sortida per la part superior.
- 3. Taula tipus de CGP seleccionades.
| Designació de la CGP | Nombre de bases portafusibles | Mida de la base portafusible | Corrent màxim del fusible(A) |
|---|---|---|---|
| CGP-7-160 BUC | 3 | 00 | 160 |
| CGP-7-250 BUC | 3 | 1 | 250 |
| CGP-7-400 BUC(*) | 3 | 2 | 400 |
| CGP-9-160 BUC | 3 | 00 | 160 |
| CGP-9-250 BUC | 3 | 1 | 250 |
| CGP-9-400 BUC(*) | 3 | 2 | 400 |
(*) Exclusivament per a subministraments individuals
- 4. Correspon a una caixa general de protecció de l'esquema 9, equipada amb un joc de bases tallacircuits tancades de mida 2 i de corrent màxim assignat del fusible 400 A.
- 5.4. Ø 160 mm.
Centralització de comptadors. Ubicació i sistemes d'instal·lació
L’objectiu d’aquesta activitat és que escolliu, entre les diferents ubicacions i sistemes d'instal·lació dels comptadors, la solució que s'ajusti millor al subministrament sol·licitat.
- 2.4.
Figura 1. Sistema de centralització amb mòduls aïllats

- 3. Completeu la taula següent segons la figura 2, amb les dades que falten, de les dimensions mínimes del local per a centralitzacions de més de 16 comptadors.
Figura 2. Local per a centralitzacions superiors a 16 comptadors, en una paret

| Nombre de comptadors monofàsics | De 17 a 24 | De 25 a 35 | De 36 a 48 |
| Amplada lliure de la paret | 1,75 metres | 2,75 metres | 3,50 metres |
| Altura lliure (mínima) | |||
| Profunditat lliure (mínima) | |||
| Altura mínima dels mòduls al paviment | |||
| Altura màxima quadrant lectura comptadors | |||
| Altura mínima porta d'accés | |||
| Amplada mínima porta d'accés | |||
- 4.4. Expliqueu que són els transformadors d'intensitat, per què s'utilitzen i què els caracteritza.
- 1. 150 kW
- 2.1. Unitat funcional d'interruptor general de maniobra
- 2.2. Unitat funcional d'embarrat general i fusibles de seguretat
- 2.3. Unitat funcional de mesura
- 2.4. Unitat funcional d'embarrat de protecció i borns de sortida
- 3. Taula figura 2.
| Nombre de comptadors monofàsics | De 17 a 24 | De 25 a 35 | De 36 a 48 |
| Amplada lliure de la paret | 1,75 metres | 2,75 metres | 3,50 metres |
| Altura lliure (mínima) | 2,30 metres en tots els casos | ||
| Profunditat lliure (mínima) | 1,50 metres en tots els casos | ||
| Altura mínima dels mòduls al paviment | 0,50 metres | ||
| Altura màxima quadrant lectura comptadors | 1,80 metres | ||
| Altura mínima porta d'accés | 2,00 metres | ||
| Amplada mínima porta d'accés | 0,70 metres | ||
- 4.1. Són els comptadors que mesuren i registren el consum de l'energia elèctrica que es consumeix en kWh. El seu funcionament depèn del voltatge (V), del corrent elèctric (A) i del cos φ. Aquest sistema de mesura es basa en el principi d'inducció electromagnètica i, per tant, aquests tipus de comptadors només s'utilitzen per a corrent altern. Segons el subministrament, els comptadors són monofàsics o trifàsics.
- 4.2. Són els comptadors que mesuren i registren la potència reactiva (Q) que es consumeix en kVArh en les instal·lacions elèctriques amb receptors de caràcter inductiu (llums de descàrrega, motors, transformadors, etc.). El comptador d'energia reactiva s'utilitza per mesurar i registrar el factor de potència mitjà de la instal·lació. El seu funcionament depèn del voltatge (V), del corrent elèctric (A) i del sin φ. El principi de funcionament és similar al d'energia activa, si bé la bobina amperimètrica i la voltimètrica estan desfasades diversos graus depenent de l'esquema de connexió, per poder mesurar la component vertical de la potència aparent (S).
- 4.3. Esquema de connexió directa d'un comptador monofàsic.
Figura 3. Connexió directa de comptador monofàsic

- 4.4. A partir de 63 A d'intensitat per fase no es fa la mesura directament sobre el comptador, ja que s'haurien de construir grans aparells de mesura i les connexions serien molt complicades. Per solucionar aquest problema, utilitzarem els transformadors d'intensitat, en què tota la intensitat del circuit circula pel primari i que, a la vegada, produeix una petita intensitat en el secundari, proporcional a la del primari, fàcilment mesurable pel comptador d'energia elèctrica. Els transformadors d'intensitat es caracteritzen per la relació de transformació del primari respecte del secundari i s'expressa de la manera següent: 150/5 A, que ens indica que la intensitat que passa pel primari és de 150 A i, pel secundari, de 5 A.
